Serie 6” Encapsulados - Trifásicos
Franklin Electric

Serie 6” Encapsulados - Trifásicos

Industrial Sumergible Motores Sumergibles

Serie 6” Encapsulados - Trifásicos en Monterrey

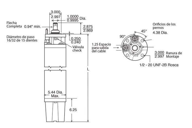
Los motores sumergibles Franklin de 6 pulgadas son usados para bombas de pozos profundos que requieren rangos de flujo altos o instalaciones más profundas. Estos motores apoyan a las bombas que suministran grandes cantidades de agua para riego, sistemas de agua, y fábricas en donde se requieren grandes flujos y presiones.

NOTAS

*Producto disponible para entrega inmediata salvo previa venta.

  • Diseño de montaje NEMA de doble brida
  • Eje estriado de acero inoxidable
  • Sistema de encapsulamiento de seis elementos StatorShield™ de Franklin
  • Cojinete de empuje tipo Kingsbury de alta capacidad lubricado por agua
  • Llenados en fábrica con la solución de llenado no tóxica, soluble en agua
  • Cable reemplazable en campo utilizando la tecnología exclusiva Water Bloc™ de Franklin
  • Punto de Diseño de 60 Hz, 3450 rpm
  • Cubierta externa contra arena en el eje
  • Sello mecánico frontal en la salida del eje
  • Rotor de barra de cobre
  • Están aprobados todos los modelos de los dispositivos de frecuencia variable (DFV)
  • Los modelos monofásicos deben utilizarse con una caja de control de Franklin Electric
  • Agricultura
  • Municipal
  • Industrial
  • Minería
  • Aumento de presión
  • Osmosis Inversa
Serie 6” Encapsulados - Trifásicos en Monterrey Serie 6” Encapsulados - Trifásicos en Monterrey Serie 6” Encapsulados - Trifásicos en Monterrey
Serie 6” Encapsulados - Trifásicos en Monterrey Serie 6” Encapsulados - Trifásicos en Monterrey
Trabajemos

Juntos

Permítenos ser parte de ese gran proyecto.

Contacto
PRODUCTOS DESTACADOS

LO MÁS VISTO

La mejor calidad en Accesorios y Bombas Hidráulicas en Monterrey